Dc2 Wiring Diagram

25+ Dc2 Wiring Diagram Background. Dc schematics, often referred to as elementary wiring diagrams, are the particular schematics that depict the dc system and usually show the protection and control functions of the equipment in the substation. Related content for lg 32lc2dc.

Honda Integra Workshop Manual
Honda Integra Workshop Manual from www.downloadworkshopmanuals.com
Related content for lg 32lc2dc. Wiring diagrams vs line diagrams. The actual wiring of each system circuit is.

Dc590+ series dc digital drive.

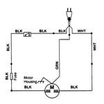
Dc schematics, often referred to as elementary wiring diagrams, are the particular schematics that depict the dc system and usually show the protection and control functions of the equipment in the substation. The actual wiring of each system circuit is. An electrical circuit diagram is a graphic representation of special characters and pictograms that are connected in parallel or in series. The electric scheme never shows the actual image of a set of objects, but only shows their connection with each other.


0 Response to "Dc2 Wiring Diagram"

Post a Comment

Iklan Atas Artikel

Iklan Tengah Artikel 1

Iklan Tengah Artikel 2

Iklan Bawah Artikel